Наличие товара на складе и актуальность цен уточняйте у наших менеджеров
|
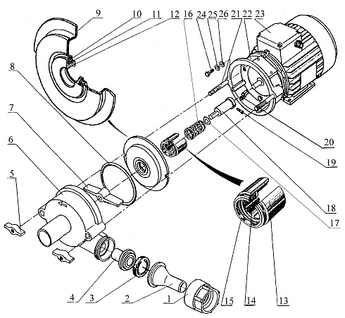
1 – Гайка НМУ 01.007; 2 – Патрубок НМУ 00.007; 3 – Клапан НМУ 01.002; 4 –Диффузор НМУ 01.008; 5 – Гайка НМУ 01.160; 6 – Корпус НМУ 01.180; 7 – Крыльчатка НМУ 01.023-01; 8 – Кольцо НМУ 01.009; 9 – Тарелка НМУ 01.417; 10 – Прокладка НМУ 01.001; 11 – Гайка НМУ 01.618; 12 – Втулка НМУ 01.619; 13 – Стакан НМУ 01.028; НМУ 01.140 Стенка |
14 – Манжета НМУ 01.003; 15 – Кольцо НМУ 01.018; 16 – Пружина НМУ 01.607А; 17 – Шайба НМУ01.426; 18 – Наконечник НМУ 01.625-01; 19 – Винт М6; 20 – Шпонка НМУ 01.425; 21 – Шпилька НМУ 01.617; 22 – Корпус НМУ 01.027; 23 – Двигатель 0,75 квт 3000 об/мин ; 24 – Болт М6х20; 25 – Шайба 6; 26 – Шайба 6; |
